

JGT1000X
该机主要是将POY原丝(聚酯预取向丝),通过拉伸和假捻变形加工成具有低弹性能的假捻变形丝(DTY涤纶弹力丝),同时在机器上直接将氨纶丝与DTY丝复合,通过网络喷嘴,实现加弹与氨纶网络一步加工。
一、设备概况
该机主要是将POY原丝(聚酯预取向丝),通过拉伸和假捻变形加工成具有低弹性能的假捻变形丝(DTY涤纶弹力丝),同时在机器上直接将氨纶丝与DTY丝复合,通过网络喷嘴,实现加弹与氨纶网络一步加工。
二、设备主要部件性能与特点
1、氨纶喂入装置
氨纶喂入装置采用单锭独立电机传动,每个氨纶丝由独立电机带动,AB面装置可独立控制,确保氨纶送丝稳定,牵伸均匀。

2、W2x结构
采用双W2罗拉结构,提高网络质量,确保成纱品质。

3、共有两种原丝架可供用户选择,固定式与旋转式两种。

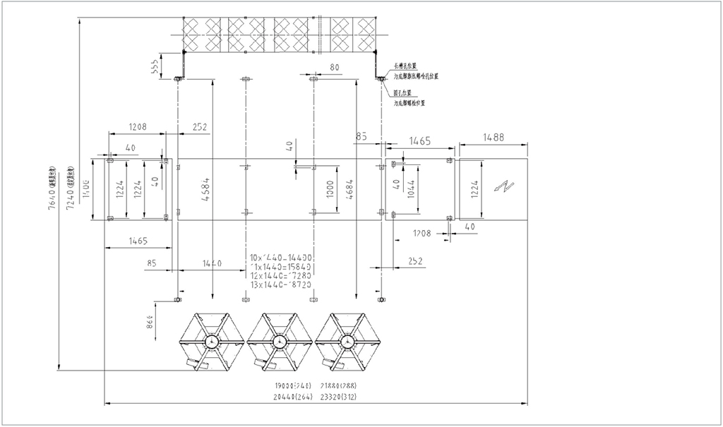
三、外形尺寸示意图

四、安装地脚图

锭数 | 240锭 | 264锭 | 288锭 | 312锭 | ||
节数 | 10 | 11 | 12 | 13 | ||
锭距 | 110mm | |||||
最高机械速度 | 1000m/min | |||||
适纺原料及纤度 | 聚酯33-222dtex(30- 200Denier) | |||||
节距 | 1440mm | |||||
假捻方式 | 叠盘式Ⅷ型假捻器摩擦假捻 | |||||
假捻装置最高转速 | 18000 r/min | |||||
假捻方向 | S,Z可调 | |||||
第一热箱(变形) | 联苯气相加热/2000mm | |||||
第二热箱(定型) | 联苯气相加热/1460mm | |||||
变形热箱温度范围 | 160-250℃ | |||||
定形热箱温度范围 | 160-250℃(低温联苯为100-180℃) | |||||
冷却方式和长度 | 冷却板自然冷却/1100mm | |||||
摩擦辊直径 | Φ100mm | |||||
罗拉直径 | Φ75mm | |||||
上油罗拉直径 | Φ75mm | |||||
氨纶喂入辊直径 | Φ25mm | |||||
氨纶牵伸比例范围 | 1.5-4倍 | |||||
原丝最大尺寸 | Φ435×250mm | |||||
最大卷装尺寸 | Φ250×250mm | |||||
卷装标准重量 | 5kg | |||||
卷取纸管规格 | Φ69×Φ57×290mm | |||||
装机功率分类 | 传动 | 114.1kw | 133.06kw | 133.96kw | 154.54kw | |
上热箱 | 68 kw | 74.8kw | 81.6kw | 88.4kw | ||
下热箱 | 24 kw | 26.4kw | 28.8kw | 31.2kw | ||
辅助功率 | 约6kw | |||||
总功率 | 212.1kw | 240.3kw | 250.4kw | 280.14kw | ||
外形尺寸
| 固定原丝架 | 19000×7240×5700 mm | 20440×7240×5700mm | 21880×7240×5700mm | 23320×7240×5700mm | |
旋转原丝架 | 19000×7640×5700mm | 20440×7640×5700mm | 21880×7640×5700mm | 23320×7640×5700mm | ||