JGT1200XN
该机主要是将聚酰胺(锦纶)POY原丝,通过拉伸和假捻变形加工成具有高弹性能的假捻变形丝(锦纶DTY弹力丝)。同时在设备上直接将氨纶丝与锦纶DTY丝复合,通过网络喷嘴,实现加弹与氨纶网络一步加工,最终加工得到锦纶空包纱。


JGT1200XN
该机主要是将聚酰胺(锦纶)POY原丝,通过拉伸和假捻变形加工成具有高弹性能的假捻变形丝(锦纶DTY弹力丝)。同时在设备上直接将氨纶丝与锦纶DTY丝复合,通过网络喷嘴,实现加弹与氨纶网络一步加工,最终加工得到锦纶空包纱。
一、设备概况
该机主要是将聚酰胺(锦纶)POY原丝,通过拉伸和假捻变形加工成具有高弹性能的假捻变形丝(锦纶DTY弹力丝)。同时在设备上直接将氨纶丝与锦纶DTY丝复合,通过网络喷嘴,实现加弹与氨纶网络一步加工,最终加工得到锦纶空包纱。
二、设备主要部件性能与特点
1、氨纶喂入装置
氨纶喂入装置采用单绽独立电机传动,每个氨纶丝由独立电机带动,AB面装置可独立控制,确保氨纶送丝稳定,牵伸均匀。

2、W2X结构
采用双W2罗拉结构,提高网络质量,确保成纱品质。

3、卷绕系统
采用全新的筒管架及卷绕系统,三层独立上油槽,整体式上油银。

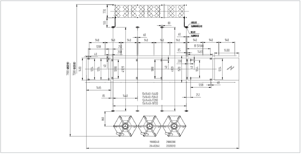
三、外形尺寸示意图

四、安装地脚图

锭数 | 240锭 | 264锭 | 288锭 | 312锭 | |
节数 | 10 | 11 | 12 | 13 | |
锭距 | 110mm | ||||
最高机械速度 | 1000m/min | ||||
适纺原料及纤度 | 聚酯胺(锦纶)22-222dtex(20-200Denier) | ||||
节距 | 1440 mm | ||||
假捻方式 | 叠盘式Ⅷ假捻器摩擦假捻 | ||||
摩擦盘规格 | Φ49.62 X6mm | ||||
假捻装置最高转速 | 18000r/min | ||||
假捻方向 | S、Z可调 | ||||
第一热箱(变形) | 联笨气相加热2000 mm | ||||
变形热箱温度范围 | 160-250℃ | ||||
冷却方式及长度 | 冷却板自然冷却1100mm | ||||
摩擦辊直径 | Φ100 mm | ||||
罗拉直径 | Φ75 mm | ||||
上油罗拉直径 | Φ30 mm | ||||
氨纶喂入辊直径 | Φ25 mm | ||||
氨纶牵伸比例范围 | 1.5-4倍 | ||||
原丝最大尺寸 | Φ435x250 mm | ||||
最大卷装尺寸 | Φ250x245 mm | ||||
卷装标准重量 | 5kg | ||||
卷取纸管规格 | Φ69Xφ57x 290 mm | ||||
装机功率分类 | 传动 | 106Kw | 122Kw | 126Kw | 138.6Kw |
上热箱 | 68Kw | 74.8Kw | 81.6Kw | 88.4Kw | |
辅助功率 | 约6Kw | ||||
总功率 | 180Kw | 202.8Kw | 213.6Kw | 233Kw | |
外形尺寸 | 配固定原丝架 | 19000X7500X5300 | 20440X7500X5300 | 21880X7500X5300 | 23320X7500X5300 |