一、设备概况
该机主要是将聚酰胺(锦纶)POY原丝,通过拉伸和假捻变形加工成具有高弹性能的假捻变形丝(锦纶DTY弹力丝)。加工时在每一个锭位将S捻和Z捻的双丝合股直接一步加工成无剩余扭矩丝,相对于单锭生产合股,该机产量增加一倍。
二、设备主要部件性能与特点
1、卷绕系统
采用全新的筒管架及卷绕系统,三层独立上油槽,整体式上油银。

2、W2X结构
采用双W2罗拉结构,提高网络质量,确保成纱晶质。

3、双链组假捻器
安装叠盘式双绽组假捻器,可选择单龙带或双龙带传动方式。


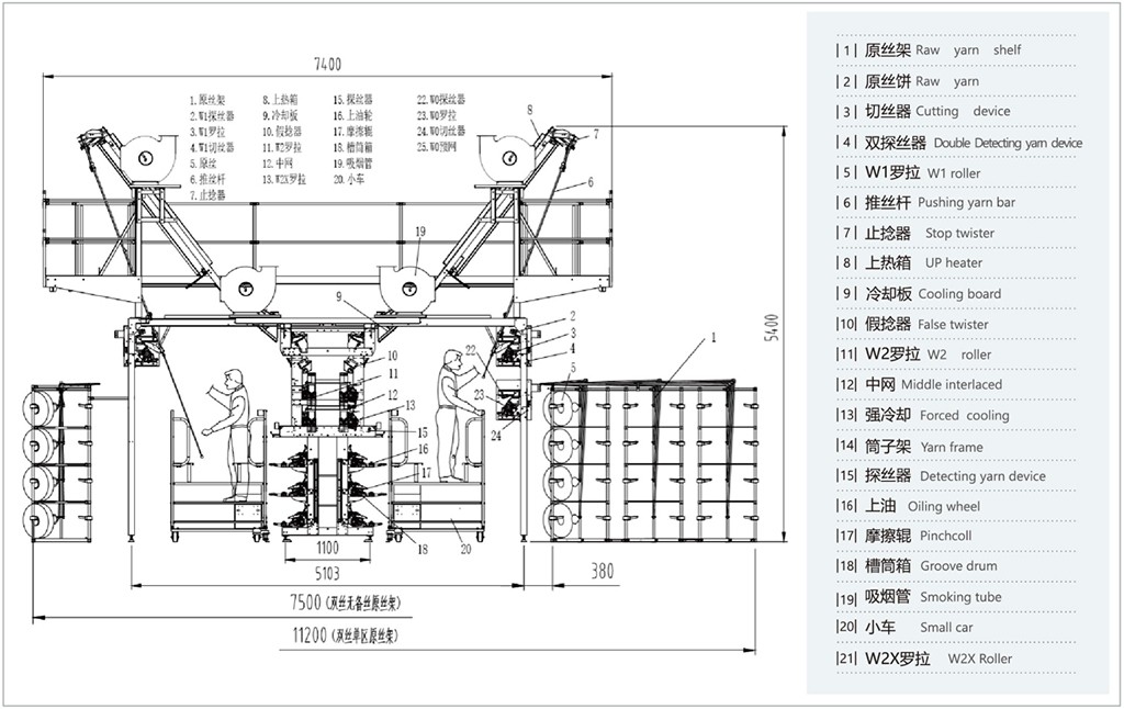
三、外形尺寸示意图

四、安装地脚图




















































































































