

HKV151B(BI)型花式捻线机
HKV151B(BI)型花式捻线机是一种适应性广、功能齐全的新型特种纱线纺纱机,其原料适用于各种化纤长丝、低弹丝、棉纱、晴纶及部分天然原料等,其花式成形采用微电脑及变频控制技术来完成,适用于纺制各种类型的花式纱线,如圈圈纱、竹节纱、波纹纱、多色结子纱等。
一、设备概况
HKV151B(BI)型花式捻线机是一种适应性广、功能齐全的新型特种纱线纺纱机,其原料适用于各种化纤长丝、低弹丝、棉纱、晴纶及部分天然原料等,其花式成形采用微电脑及变频控制技术来完成,适用于纺制各种类型的花式纱线,如圈圈纱、竹节纱、波纹纱、多色结子纱等。
二、产品特点
1、摇开式锭子,操作简单,喂入量大。
2、各罗拉、锭子、假捻器、卷取单独变频控制速度,PLC程序控制,操作方便、工艺准确。
3、独一无二的梳节装置,拥有自主专利产权,生产竹节类产品明显产量提高一倍多,生产效率成倍提升。
4、三层纱架,适应更多原料喂入。
三、用户可选择部件
四层纱架:适应更多原料喂入。
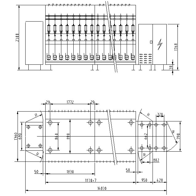
四、外形尺寸示意图

类型 | HKV151 B-I | HKV151 B |
锭数 | 112锭 | 112锭 |
锭距 | 210㎜ | 210㎜ |
机型 | 双面单层 | 双面单层 |
适纺支数 | 3~40(Nm) | 3~40(Nm) |
装机功率 | 14.25(kw) | 15.25(kw) |
捻度范围 | 300~1600(T/M) | 300~2400(T/M) |
锭子转速 | 5000~12000(r/min),无级可调 | 8000~12000(r/min),无级可调 |
罗拉速度 | 5~27(m/min),无级可调 | 5~27(m/min),无级可调 |
捻向 | S捻或Z捻 | S捻或Z捻 |
上假捻器转速 | 6000~30000(r/min) | |
下假捻器转速 | 4600~23000(r/min) | 4600~23000(r/min) |
槽筒规格 | φ81.5X176㎜ | φ82.5X176㎜ |
成形筒子尺寸 | φ200X152㎜ | φ200X152㎜ |
卷绕形式 | 槽筒式卷绕 | 槽筒式卷绕 |
锭子驱动系统 | 无接头循环龙带 | 无接头循环龙带 |
整机尺寸 | 14300X1360X2150 | 14830X1360X2300 |